jc聚彩

850nm多模电可调光衰减器
850nm多模电可调光衰减器产品可应用于C或L波段。该衰减器具有良好的波长平坦度相关性 ,低偏振相关损耗(PDL),并提高了温度稳定性。
详细信息

850nm多模电可调光衰减器

       850nm多模电可调光衰减器是四川梓冠光电的一款新的微型可调衰减器,可应用于C或L波段。该光衰减器具有良好的波长平坦度相关性 ,低偏振相关损耗(PDL),并提高了温度稳定性。衰减器为光功率提供了一种经济的解决方案。反射光学允许同侧跳线退出,并使面板易于安装。衰减器采用先进的梯度中性密度滤波器作为衰减元件。调整是通过步进电机的反馈控制终端。步进电机的驱动器以统一的步长上下移动电机,提供精细的分辨率。锁定操作是一个标准功能;移除驱动电压后,保留最近的衰减设置。可选的电阻读数用于过滤器定位。衰减器原理图如图1所示。

衰减器原理图



       图一  原理图   

2 光学和电气规格 

2.1 850nm多模电可调衰减器光学规格

    参数
规格
单位
备注
    波长范围
800~1100
nm

    衰减范围30
dB

    响应速度@3dB调整衰减分辨率
100
ms
电压驱动方式
    衰减分辨率
0.2
dB
整步
    锁定稳定性
0.3
dB
根据电机电源开关
    插入损耗
1.0
dB
带连接头,在波长范围内
    衰减线线性
5
%
30db@±0.5db
    重复性
0.1
dB
从同一方向接近的随机位置返回到特定衰减时的衰减差异。
注:特定电压/阶跃下的衰减值可能随时间而变化,并且会随单位而变化
    反冲
0.2
dB

    回波损耗@输入/输出
-25
dB
带连接头
    偏振相关损耗@输入/输出
0.5
dB
在整个调整的波长范围内从输入端口到输出端口测量
    温度相关损耗
0.5
dB
测量从输入到输出端口@整体调整衰减范围
    偏振模色散@输入/输出
0.15
ps

    承载光功率
300
mW
CW

2.2 850nm多模电可调衰减器测试方法


850nm多模电可调衰减器测试方法

2.3 步进电机电气规格

    参数
规格
单位
备注
MIN
TYP
MAX
    电机类型
步进电机,2相位电机


    电机电流

150
200
mA
2相开启
    推荐直流控制电压
3.0
3.3
3.6
V
全步进和两个线圈都是通电的
    每步脉冲宽度
1.25
2.0

ms

    电机电阻

20



    电机功耗


2
W
在-5~70℃温度范围

3 绝对最大限定额值

    参数
规格
单位
    操作温度
-5 ~ +70
°C
    操作湿度
5 ~ 95
%RH
    储存温度
-40 ~ 85
°C

4电接口定义 

引脚
定义
描述
备注
1电机线圈A-


2电机线圈B


3电机线圈B-


4电机线圈A


5监测信号
POT电刷,可移动触点:电压传感器

6监测供应+
POT+,连接到稳定的(参考)正电源

7监测供应-
POT-,接地

8接地


9


10


11


12



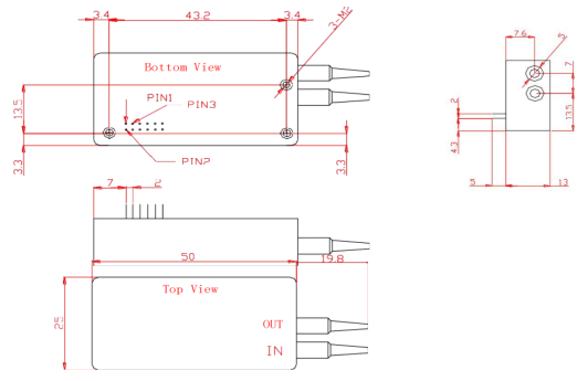
5.850nm多模电可调衰减器机械图纸


850nm多模电可调衰减器机械图纸


6.尾纤和连接头

    参数
规格
单位
备注
    纤类型(所有端口)
62.5/125um or 50/125um

根据客户要求
    尾纤长度(所有端口)
L+/- 0.1
m
L 指 PN 中的光纤长度要求
    连接头类型(所有端口)
根据客户要求



尾纤和连接头





返回列表
为您推荐
香港六玄开奖网-六玄网132432-六玄神马开奖44579-六玄公式6588777-六玄神马免费中特料-澳彩六玄网论坛6258cmcc 878cc彩票网 welcome如意彩|首页 澳门灵蛇网4949-香港灵蛇网论坛资料大全最新-灵蛇网4846cc最新版本更新内容-灵蛇网4668cc-灵蛇澳门2025年今晚看 祥顺彩票|主页 灵蛇澳门2025年今晚看-灵蛇网4846cc-灵蛇网免费资料大全--灵蛇网4846cc最新版本更新内容-澳门灵蛇网4949