jc聚彩

单模机械式光衰减器
单模机械式光衰减器具有高精度、稳定性强、功率稳定、易于集成、宽波长范围等特性,应用于光纤通信系统、光纤传感技术、光学仪器、光电子学领域等领域
详细信息

单模机械式光衰减器

一、单模机械式光衰减器的定义
单模机械式光衰减器,顾名思义,是一种专为单模光纤设计的,通过机械方式调节光信号强度的装置。它利用特定的光学材料和精密的机械结构,实现对光信号强度的精确控制,以满足不同光通信系统的需求。
二、单模机械式光衰减器的特点
1、高精度:采用先进的镀膜技术和光纤对接技术,能够实现高精度的衰减量控制,满足不同应用场景的需求。
2、稳定性强:无论是在恶劣的环境条件下,还是在长时间的使用过程中,单模机械式光衰减器都能保持稳定的衰减性能。
3、功率稳定:适用于远程监控以及光纤器件测试,确保光信号在传输过程中的稳定性和可靠性。
4、易于集成:设计紧凑,体积小,重量轻,便于安装和维护,有效节省了空间资源。
5、宽波长范围:能够适应不同波长的光信号传输需求,提高系统的灵活性和兼容性。

三、单模机械式光衰减器的技术参数

    参数指标
单位
最小值
典型值
最大值
    波长范围
nm
1260-1650nm or 980nm/1064nm
    衰减范围
dB
0

60
    衰减精度
dB
±0.2
    功率监控精度
dB
±0.15
    承受光功率
mW500
    插入损耗
dB
1
    波长相关损耗
dB
1
    偏振相关损耗
dB
0.5
    工作温度范围
°C
-20

+65
    工作湿度范围
%


70
    尾纤接头类型

FC/APC, FC/UPC
    输入输出光纤类型

SMF-28e ,单模光纤
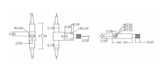
    尺寸
mm
20.90(L)×12(W)×7(H)

尺寸图

尺寸图


四川梓冠光电单模机械式光衰减器订货信息

波长
衰减大小
尾纤套管直径
尾纤长度
连接头形式
13=1310nm
15=1550nm
10=1060nm
X=others
1=0~60dB
2=0~40dB
3=0~30dB
9=0.9mm
2=3mm
0=0.5m
1=1m
X=others
FC/APC
FC/UPC
LC/UPC  
LC/APC
SC/APC
SC/UPC

单模机械式光衰减器拓展资料
一、单模机械式光衰减器的工作原理
单模机械式光衰减器的工作原理主要基于光的吸收、散射、反射以及光纤纤芯的错位技术。
1、光吸收:衰减器内部采用掺杂了金属离子的光纤或特制吸收玻璃,这些材料能够吸收一部分入射光,从而降低光信号的强度。
2、光散射:通过材料的微观结构设计,使光在传输过程中发生散射,减少直线传播的光强。
3、光反射:利用多层薄膜技术,精确控制反射率,实现光信号的衰减。
4、错位技术:通过微量平移光纤纤芯的位置,使光信号在传输过程中发生偏芯损耗,达到衰减效果。
这些机制协同作用,使得单模机械式光衰减器能够实现对光信号强度的精确调节。
二、单模机械式光衰减器的应用范围
1、光纤通信系统:在光通信系统中,单模机械式光衰减器能够精确调节各个信道的光功率,确保其在适当的范围内,从而提高系统的传输质量。同时,它还可以补偿光纤传输过程中的损耗和色散,实现信道传输的均衡。
2、光纤传感技术:在光纤传感技术中,单模机械式光衰减器可用于调节光信号强度,以满足不同的光传感应用需求。例如,在温度、压力、湿度等物理量信号传感器中,它能够实现光信号的精确调节,提高传感器的测量精度和稳定性。
3、光学仪器:在激光器、光子计数器、光谱仪、光学显微镜等光学仪器中,单模机械式光衰减器用于控制光信号的强度和数量,确保仪器正常工作并获得准确的测量结果。
4、光电子学领域:在光电子学领域,单模机械式光衰减器被用来控制和调节光电子元器件的输入和输出光信号。例如,在光电放大器中,它可以用来控制输入光信号的强度和数量,以保证光电放大器的工作质量。

返回列表
为您推荐
香港六玄开奖网-六玄网132432-六玄神马开奖44579-六玄公式6588777-六玄神马免费中特料-澳彩六玄网论坛6258cmcc 878cc彩票网 welcome如意彩|首页 澳门灵蛇网4949-香港灵蛇网论坛资料大全最新-灵蛇网4846cc最新版本更新内容-灵蛇网4668cc-灵蛇澳门2025年今晚看 祥顺彩票|主页 灵蛇澳门2025年今晚看-灵蛇网4846cc-灵蛇网免费资料大全--灵蛇网4846cc最新版本更新内容-澳门灵蛇网4949